4 rodzaje schematów elektrycznych
To nie jest tak, że mamy jeden typ schematów elektrycznych. Schematy mogą mieć różną strukturę w zależności od zastosowania. W zależności od tego do czego będą służyć i w jaki sposób mają pomóc instalatorowi czy użytkownikowi końcowemu.
W tym artykule przyjrzymy się 4 rodzajom schematów elektrycznych.
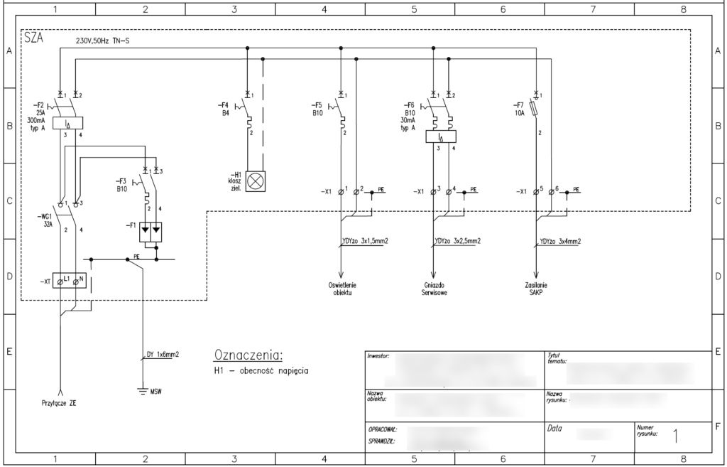
Schemat jednokreskowy
Zadaniem schematu jednokreskowego jest pokazanie całości instalacji (najczęściej zasilającej) bez wdawania się w szczegóły np. pod który zacisk podzespołu przewód powinien być podłączony.
Przewody czynne np. przewody fazowe (+ opcjonalnie neutralny) w takich schematach łączymy ze sobą, zamiast kilku kresek, kilku przewodów o różnych funkcjonalnościach, mamy właśnie jedną kreskę symbolizującą, że do danego elementu doprowadzone jest zasilanie, a od niego zasilone jest inne zabezpieczenie lub urządzenie itp.
Ze schematów jednokreskowych łatwo wyczytamy:
- Typ zabezpieczenia i jego parametry,
- Rodzaj przewodu,
- Do którego miejsca doprowadzony jest przewód,
- Napięcie zasilania itp.
Schemat budowlany

Schematy budowlane z naniesionymi elementami instalacji elektrycznej służą do sprawnego ustalenia lokalizacji montażu osprzętu elektrycznego.
Za jego pomocą określimy:
- Gdzie powinny zostać zainstalowane oprawy oświetleniowe, gniazda, włączniki itp.
- Do jakiego obwodu należy dany wypust czy osprzęt
- Jak są powiązane ze sobą łączniki i oprawy oświetleniowe.
- Ile gniazd należy zainstalować w danej lokalizacji.
Schemat budowlany jest istotny z punktu widzenia zarówno użytkownika końcowego, który czarno na białym widzi, gdzie będzie znajdował się osprzęt, z którego będzie na co dzień korzystał. Instalator zaś nie przegapi dzięki niemu jakiegoś istotnego punktu w trakcie realizacji instalacji i będzie potrafił zaplanować trasy kablowe i dobrać odpowiednie oprzewodowanie.
Schemat wykonawczy

Schematy wykonawcze instalacji częściej używane są w instalacjach przemysłowych i administracyjnych, ale też można je znaleźć w dobrze wykonanych projektach Smart Home. Służą do szczegółowego pokazania:
- Gdzie dany element powinien zostać wpięty,
- Z czym ma być połączony, konkretnie do jakich zacisków,
- Ilu i jakich przewodów i podzespołów użyć.
Na schematach wykonawczych instalacji elektrycznej projektant umieszcza również dodatkowe uwagi, które mogą mieć znaczenie dla wycinka lub całości instalacji.
Schemat połączeń (osprzętu)

To w zasadzie mniejsza wersja schematów wykonawczych, umieszczana w instrukcjach i ew. na obudowach np. przekaźników smart, elementach drobnej automatyki.
Przeznaczone są dla instalatorów / majsterkowiczów do szybkiego zorientowania się do czego służy dany zacisk w podzespole sterującym i jakie parametry graniczne osprzęt posiada. Tak, żeby się nie pomylić w trakcie montażu.
Podsumowanie
Poznałeś kilka rodzajów schematów i jak widzisz, każdy ma inne zastosowanie, pomimo tego, że każdy z nich możesz nazwać schematem elektrycznym. 🙂


